随着工业自动化、智能电网、智能交通及安防监控等领域的迅猛发展,各类电子系统的设计复杂度正持续攀升,系统内设备节点陡增,且不同节点极可能运行在不同电压域中,存在较大电位差,而这对RS-485总线系统的实时性、可靠性和抗干扰能力等关键指标都提出了更为严苛的要求。

为顺应行业发展趋势,切实满足作业现场对于低延迟、抗干扰、高速率、安全稳定与实时双向交互的通信需求,350VIP浦京微于近期推出了一款高性能的隔离全双工RS-485收发器CMT83086。
CMT83086采用电容隔离技术,不仅具备出色的电气隔离性能,支持5kVrms绝缘耐压,还能够在恶劣的电磁环境中稳定工作,支持±200 kV/us的共模瞬态抑制(CMTI)能力,具备较高系统级EMC性能,可确保数据传输的完整性和可靠性。

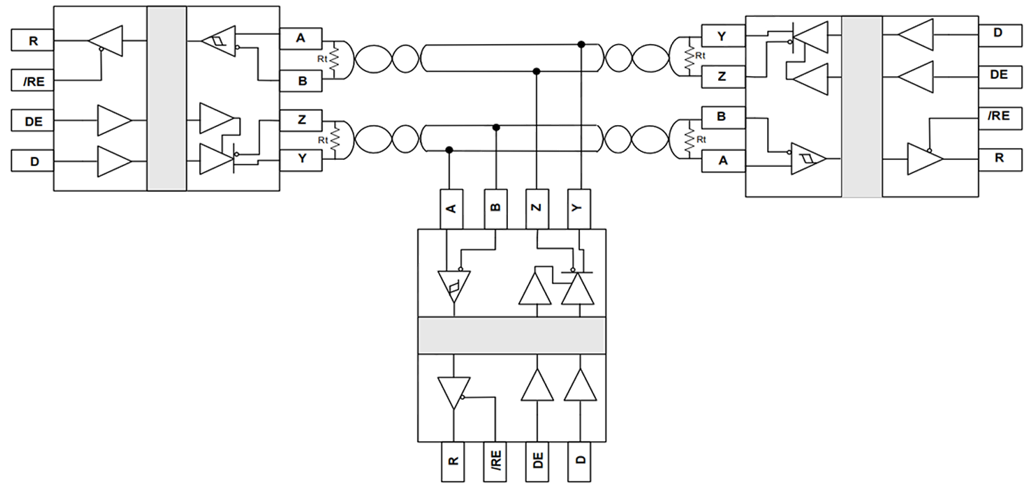
CMT83086 功能框图
CMT83086已通过UL1577安全认证,且拥有低辐射,低功耗和很强的抗电磁干扰能力。CMT83086在接收器输入开路或短路时,可确保接收器输出逻辑高,防止总线误判,提升系统容错性。CMT83086总线侧的总线引脚对地拥有±12kV 的系统级ESD保护,且拥有故障安全保护功能。
此外,CMT83086还具有1/8单位负载的接收器输入阻抗,允许总线上最多接入256个收发器,支持大规模组网,且其数据率高达12Mbps,可提升长距离通信稳定性,可为构建高速、高可靠性的工业互联网提供底层硬件支撑。
隔离电压:5000Vrms
SiO2隔离栅寿命:>40年
共模瞬态抑制CMTI:±200kV/us
ESD保护:总线引脚符合 IEC61000-4-2 ±12 kV ESD,其他引脚符合±7 kV 接触式 ESD;
共模电压范围:±30V
低传播延迟:15ns
电压范围:2.5-5.5V
支持 256个收发器
符合RoHS封装SOIC 16 (宽体)
安全相关认证:
• VDE认证:DIN VDE V 0884-11: 2017-01
• UL1577认证:1分钟5000Vrms
• CSA认证:组件符合5A
• CQC认证:符合GB4943.1-2011
在RS-485总线系统平衡发送和差分接收的通信原理下,CMT83086可有效抑制共模噪声,在恶劣的电磁环境中稳定工作,确保远距离数据传输的完整性和可靠性。同时,在电容隔离技术下,CMT83086还可有效防止强电电路与弱电电路之间的串扰和干扰,保障RS485总线系统的整体稳定性和安全性。

CMT83086 典型隔离全双工RS-485应用简示图
展望未来,350VIP浦京微将继续坚持贯彻“诚信为本、追求卓越、信赖团队、共同进步”的核心价值观,以更加开放共享的合作意识,大力发展新质生产力,为行业提供更加优质、高效的数字隔离器解决方案,助力行业实现更高水平的发展。
如果您对350VIP浦京微CMT83086感兴趣,欢迎点击文末链接即可申请样品,350VIP浦京将竭诚为您服务!https://www./service/apply/